主要特点
◆
灵敏的关闭性
◆
内置安全放散装置
◆
调压精度高,可作零压调压器、差示调压器、背压调压器
◆
可安装于任何位置,可内部或远传控制
◆
可作大型调压器之负载调压
◆
最大入口压力可达0.5MPa
◆
最大出口压力可达0.07MPa
◆
最大流量达8500Nm3/h
◆
压力设定简单
◆
可在线维修
◆
适用于天然气、液化石油气、空气、干水、氮气和其他气体。
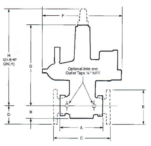
外型尺寸
型号参数
型号
口径
螺纹
ANSI 125LB FF法兰
F
G
高压弹簧
A
B
C
D
E
H
121-8和8HP
20.25.32
146
48
-
-
-
259
344
486
121-8和8HP
40
190
60
-
-
-
259
348
489
121-12
40
190
60
-
-
-
356
359
-
121-8和8H
50
190
60
254
76
152
259
348
489
121-12
50
190
60
254
76
152
356
359
-
121-8和8HP
65
210
60
-
-
-
259
348
489
121-12
65
210
60
-
-
-
356
359
-
121-12
80
298
81
298
95
190
356
394
-
121-16
80
298
81
298
95
190
457
483
-
121-12
100
-
-
352
114
229
356
419
-
121-16
100
-
-
352
114
229
457
508
-
主要部件材料
零部件名称
材料
主阀体
铸钢/铸铁
弹簧腔体
铝
阀芯
铝/钢
阀座
钢/铝/尼龙/丁晴橡胶
弹簧
钢
皮膜
丁晴橡胶/氟橡胶
密封件
丁晴橡胶/氟橡胶
技术参数
项目
指标
入口压力
最大4.2Bar
出口压力
1.5"WC-10Psi
精度
≤±5%
关闭压力
≤+10%
连接尺寸
3/4x11/4";1"x1";2"x2";1-2/2"x2-1/2";3"x3";4"x4"
重量
11.4-62kg