产品用途
 
     
 

  PDS433差压型绝对压力变送器用于测量液体、气体或蒸汽绝对压力,并将其转换成4-20mAd.c.电流(叠加HART通信)或PROFIBUS-PA通信信号输出;同时可通过设备实现远程设定、监控等功能。

 
     
 
 技术参数
 
测量范围   830Pa-10kPa
量程比   30:1
电源   10.5V-45V d.c.(本安型安全栅电源≤30Vd.c.)
输出   4mA-20mAd.c.和HAPT通信;PROFIBUS-PA通信
环境温度   -40℃~85℃
介质温度   -40℃~100℃(充硅油)
精度   ≤(0.0029r+0.071)%
温度漂移   ≤(0.08r+0.1)%(-10℃~60℃)
  ≤(0.1r+0.15)%/10℃(-40℃~-10℃;60~85℃)
长期漂移   ≤0.15r%/5年
外壳防护等级   IP67
防爆等级   Ex ia ⅡCT6 或 Ex dⅡCT6
防腐   根据不同和介质选择相应的测量部材质
 
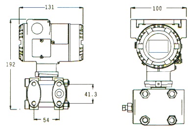
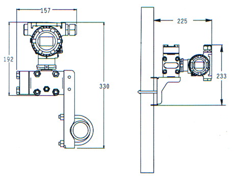
 外形及安装尺寸