主要特性



 
用途
    KGL系列过滤器主要应用于燃气输配系统中作气体净化过滤。适用于天然气,人工煤气,液化石油气及其他物腐蚀性气体。
特点
不锈钢丝过滤网,过滤精度高,可清洗再用;
过滤面积较大,强度高,压损小,寿命长;
安装,维护方便,易清洗。
型号
KGL*Z:进出口水平连接
KGL*G:进出口直角连接
KGL*Y:铸铁
   
 
  技术参数
 

技术参数
设计压力:1.6MPa、2.5aMPa、4.0MPa、
过滤精度:5μm、10μm、20μm、50μm、100μm、
过滤面面积:0.125-4.2㎡
过滤效率:≥98%
工作温度:-20~60℃
口径系列:DN50、DN65、DN80、DN100、DN125、DN150、DN200、
温度范围:一20℃一+60℃
可选配置
压力计/法兰盖开启装置/排污阀



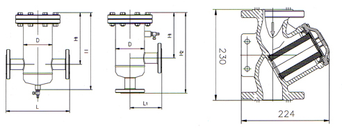
  外形尺寸







  结构尺寸



型号
L L1 H H1 H2 D 进出口法兰
KGL50*
350 175 460 260 635 133 DN50
KGL65* 400 200 465 265 665 159 DN65
KGL80* 450 225 540 330 765 159 DN80
KGL100* 500 250 640 405 890 219 DN100
KGL125* 550 275 715 440 990 273 DN125
KGL150* 600 300 780 495 955 325 DN150
KGL200* 800 400 1110 660 955 450 DN200


  压损表



KGL-50
△P
P
1.0 2.5 5.0 7.5 10.0 15.0 25.0 50.0
0.05
300 430 650 800 - - - -
0.1 340 550 750 900 - - - -
0.2 400 650 950 1100 1300 - - -
0.5 600 900 1300 1600 1900 2200 - -
1.0 850 1200 1800 2200 2500 3000 3750 -
1.6 1000 1400 2200 2800 2800 4000 4500 6000
2.5 1200 1600 2500 3300 3200 4900 5300 6900
4.0 1400 1800 2900 3800 3600 6000 6550 7800

KGL-65
△P
P
1.0 2.5 5.0 7.5 10.0 15.0 25.0 50.0
0.05
450 650 1000 1050 - - - -
0.1 520 800 1100 1300 - - - -
0.2 620 1000 1400 1650 1700 - - -
0.5 720 1100 2000 2400 2500 3300 - -
1.0 1000 1500 2400 2900 2700 4500 6000 -
1.6 1200 1800 2700 3400 3900 5250 7250 9000
2.5 1350 2000 3000 3900 4900 6000 8000 10000
4.0 1500 2300 3250 4300 5100 6800 9400 11500

KGL-100
△P
P
1.0 2.5 5.0 7.5 10.0 15.0 25.0 50.0
0.05
900 1300 2000 2000 - - - -
0.1 1100 1600 2750 2750 - - - -
0.2 1250 2000 2800 3000 3500 - - -
0.5 1500 2200 4000 5000 5500 6000 - -
1.0 2200 3200 5000 6000 7000 8500 10000 -
1.6 2500 4000 6000 7000 8000 10000 12000 18000
2.5 2700 5000 7000 8000 9000 12000 14000 20000
4.0 3000 6000 8000 9000 10000 14000 16000 22000

KGL-125
△P
P
1.0 2.5 5.0 7.5 10.0 15.0 25.0 50.0
0.05
1250 1900 2500 2500 - - - -
0.1 1500 2300 3250 3250 - - - -
0.2 1900 3000 4650 4500 4500 - - -
0.5 2250 3300 6000 7000 8250 8500 - -
1.0 2800 4100 6500 8000 9500 11000 14000 -
1.6 3250 5000 7500 9500 10500 13000 17000 24500
2.5 3600 6000 7900 10500 11500 15000 20000 26500
4.0 4000 6500 8500 11500 13000 17000 22000 29000

KGL-150
△P
P
1.0 2.5 5.0 7.5 10.0 15.0 25.0 50.0
0.05
1600 2500 3000 3000 - - - -
0.1 1900 3000 3750 3750 - - - -
0.2 2500 4000 4500 4750 5500 - - -
0.5 3000 4500 7500 9000 11000 11000 - -
1.0 3500 5200 8000 10000 12000 15000 18000 -
1.6 4000 6600 9000 12000 13000 16000 22000 31000
2.5 4500 7000 10500 14000 14000 18000 26000 33000
4.0 5000 7500 11000 16000 16000 20000 28500 36000

KGL-200
△P
P
1.0 2.5 5.0 7.5 10.0 15.0 25.0 50.0
0.05
2250 3400 5000 5000 - - - -
0.1 2500 4000 5500 7000 - - - -
0.2 3000 5000 7000 9000 10000 - - -
0.5 3000 7000 10000 12500 15000 17500 - -
1.0 6500 10000 15000 19500 19500 22000 30000 -
1.6 8000 12000 18000 25000 25000 31000 35000 50000
2.5 10000 15000 22000 30000 30000 39000 40000 54000
4.0 12000 17000 25000 34500 34500 45000 45000 60000