产品介绍
 
     
 

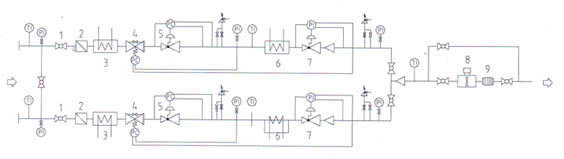
所有的调压管路均为两路一开一备, 保证向下游提供不间断的供气;
调压器采用进口产品;
调压站内可以配置高精度过滤器,过滤进度可以达到10 pm,其操作简单、安全、高效、维护方便;
调压站内配备有超压/欠压自动切断装置、安全放散装置,保证在用气量和进口压力发生波动时,自动将出口压力值保持在一定的范围内;
调压站结构设计合理、紧凑,安装工艺简单;
安装在室外的调压站的外箱体,选材考究,制作精细,具有多种形式,可以满足不同层次用户的不同要求;
产品出厂前,已经进行过严格的质量检验,各控制点均按用户的要求严格设定,保证用户现场操作简单、方便。

 
     
 
 二级调压站主要技术参数
 
 
项 目
CNG二级调压站
产品型号
SHJ2-500
SHJ2-1000
SHJ2-3000 SHJ2-5000
标况流量(Nm3/h)
500
1000
3000 5000
进口压力范围(Mpa)
0.5-20
0.5-20
0.5-20 0.5-20
一级出口压力(Mpa)
6
6
6 6
二级出口压力(Mpa)
0.3
0.3
0.3 0.3
进口法兰连接尺寸HG20615-97
DN25-26
DN25-26
DN25-26 DN25-26
出口法兰连接尺寸HG20592-97
DN80-1.0
DN80-1.0
DN150-1.0 DN150-1.0
一级后安全阀出口连接尺寸(mm)
M33x2
M33x2
M33x2 M33x2
二级后安全阀出口连接尺寸
Rp5/8'
Rp5/8'
Rp5/8' Rp5/8'
换热器热水进出口连接尺寸
Rp1”
Rp1”
Rp1”
Rp1”
配置热水锅炉应保证提供的热量有效值(Kw)
23
46
138 230
满足下游用户的数量(户)
1500-1700
3000-3200
9000-9300 15000-16000
外形尺寸长X宽X高(米)
4 × 1.5 × 1.7
4.4 × 1.7 × 1.7
4.7 × 1.8 × 2.2 5.3 × 1.8 × 2.2
重量(吨)
1.5
2.2
2.5 2.6
整站占地面积m2
3600
3600
6000(含地面储气罐、消防水池等) 6000(含地面储气罐、消防水池等)
 
 
 结构图