RTZ-31(21)/FQ型系列 
 
     
用途:★RTZ-31(21)/FQ(F)系列直接作用式调压器适用于民用楼幢调压及中、小型公服用场所的调压稳压。适用于天然气、人工煤气、液化石油气。GB16802-1997《城镇染器调压器》标准。
主要技术参数:
进口压力范围: P1:0.05 ~ 0.4MPa
出口压力范围: 1 ~ 5KPa /5 ~ 15KPa(50FQ)
稳压精度: δP2± 15%
关闭压力 Pb:≤1.2P2n
工作温度: T:-20~60 ℃
口径系列: DN25、DN40、DN50
特点:
内置超压切断阀(F型无切断阀)
内置式安全放散(液化石油气无放散)
 
 
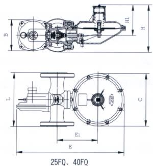
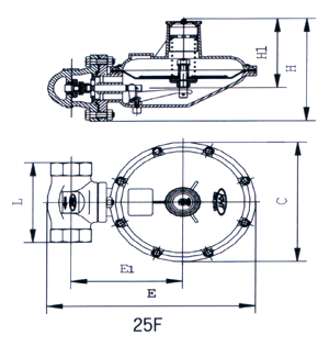
 结构尺寸
 

型号/代号

连接方式
E1
H1
  25F
  螺纹G1”
120
  -
180
258
138
154
104
  25F  
  法兰DN25
184
  -
180
258
138
160
104
  25FQ
  螺纹G1”
120
106
180
366
138
154
104
  25FQ
  法兰DN25
184
106
190
366
138
160
104
  40FQ
  螺纹G11/2”
120
106
225
420
188
193
142
  40FQ
  法兰DN40
222
106
225
420
188
193
142
  50FQ
  法兰DN50
254
135
325
592
249
305
226
  50FQ
  法兰DN50
254
106
225
448
187
193
142





 
 流量表
 
  进口压力MPa
     出口压力MPa
      流  量 (Nm3/h)
0.05
1-5
25F
25FQ
40FQ
50FQⅡ
50FQ
20
20
45
65
95
0.1
30
30
65
100
135
0.2
42
42
80
150
200
0.3
44
44
100
200
270
0.4
46
46
115
250
360
 
 结构图示