技术特性
 
最大入口压力:8.79KGF/CM2
出口压力:3.45kPa-206.9kPa
最大流量:1699Nm3/h
工作温度:-30℃--65℃
阀体连接:1-1/2"和2"NPT螺纹,2"法兰
标准配置:1-1/2", 2"NPT螺纹

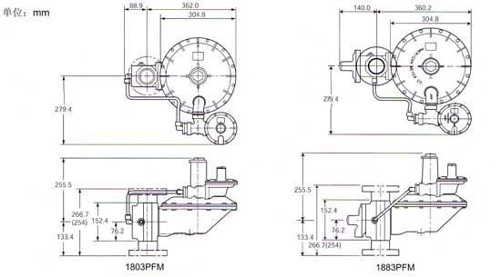
 结构图
 

 
 精度曲线
 

 
 型号功能表
 
型号 附加功能说明
1803PFM
1803MPFM 监视减压
1883PFM 超压关断
1883MPFM 监视减压,超压关断
 
 出口压力弹簧范围
 
1800系列
出口压力KPa
弹簧编号
3.45-6.90
70017P076
6.90-13.8
70017P078
13.8-206.9
70017P079