技术特性
◆
最大入口压力:8.79KGF/CM
2
◆
出口压力范围:1.25kPa-34.5kPa
◆
最大流量:37.5Nm
3
/h
◆
工作温度:-30℃--65℃
◆
180°阀体连接:1/2",3/4",3/4"X1",1"NPT螺纹连接
◆
90°阀体连接 :1/2",1/2"X3/4",1/2"X1",3/4",3/4"X1",1"NPT螺纹连接
◆
标准配置180°阀体 1/2",3/4",1"NPT螺纹
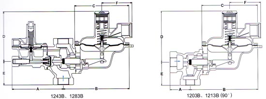
型号与尺寸
连接方式表
型号
A-90°
A-180°
B
C
D
E
F
连接方式
1203B 1213B
46.0
31.8
154
127
115.9
52.4
70.6
1/2",3/4",3/4"X1",1"
46.0
-
154
127
115.9
52.4
70.6
1/2"X1
1243B 1283B
120.7
154
127
115.9
52.4
70.6
1/2"X3/4",3/4",3/4"X1",1",1/2"X1"
出口压力弹簧范围
出口压力KPa
弹簧编号1203B&1283B
弹簧编号1203B&1283B
1.25-2.24
70017P002
70017P003
1.49-2.99
70017P065
2.24-3.74
70017P004
3.45-6.90
70017P044
-
6.90-17.2
70017P040
70017P040*
17.2-34.5
70017P041
*出口压力最大只达13.8KPa