 |
|
|
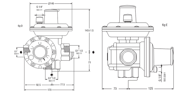
两级调压的直接作用式FEX系列调压器广泛应用于使用天然气、液化石油气或其他非腐蚀性气体的民用和工业装置中。该调压器可直接安装在用户流量计上或居民用户立管上。它们可以安装在不受气候影响的户内或户外的任何位置。安装在室内或地下室时内装放散阀的排气装置应引至室外。由于采用了两级平衡调压,可以保证:
◆ 高精度 ◆ 高运行可靠性 ◆ 安装简便调压器按UNI 8827标准制造 |
|
| |
|
| |
|
◆安装在调压器进口处的过滤器过滤面积1000mm2—100um
◆超压切断装置
◆欠压切断装置
◆超流量阀
◆供气不足切断装置
◆手动复位装置
◆放散阀
◆各安全切断装置只能手动复位 |
| |
|
|
◆ 进口压力范围:O.3—8.6bar
◆ 最大允许压力:PS 8.6bar
◆ 出口压力范围:BP:13—100r1'lbal‘MR:100一350 mbar
◆ 超压切断装置范围:BP:32—1 60rTibar MR:1 55—500 mbar
◆ 欠压切断装置范围:BP:6—80rnbar MR:80一250 mbar
◆ 精度等级:AC 5/1 O/1 5/20%
◆ 关闭压力等级:SG 30%
◆ 温度范围:一20℃一+60℃
◆ 反应时间:小于3秒
|
|
| |
超压切断压力设定范围(CPSO) |
COD.. |
RANGE(mbar) |
644.70111 |
32/55 |
644.70113 |
55/110 |
644.70114 |
110/160 |
644.70115 |
155/210 |
644.70116 |
210/330 |
644.70151 |
330/500 |
|
| |
出口压力设定范围(NOP) |
COD.. |
RANGE(mbar) |
644.70171 |
13/20 |
644.70130 |
20/27 |
644.70131 |
27/40 |
644.70132 |
40/60 |
644.70133 |
60/80 |
644.70134 |
80/120 |
644.70135 |
120/210 |
644.70136 |
210/350 |
|
| |
型号 |
额定流量 |
进出口压力 |
FEX3 |
50Stcm^3/h/60kg/h |
Pd+0.3 |
FEX4 |
50Stcm^3/h/60kg/h |
Pd+0.4 |
FEX2 |
50Stcm^3/h/60kg/h |
Pd+0.4 |
FEX1 |
50Stcm^3/h/60kg/h |
Pd+0.4 |
FEXS |
50Stcm^3/h/60kg/h |
Pd+0.5 |
|
|