燃气过滤器简介


 
     DIVAL系列调压器是弹簧作用的直接式调压器,含有与弹簧作用力相平衡的阀芯和膜片,适用低中高压。
DIVAL和有切断装置系列的调压器有内置检测。调压器和切断装置根据客户要求预置连接外部感应,叙述流量比率图表见下页。
DIVAL系列调压器广泛应用在居民或工业装备中,适用天然气、液化石油气或非腐蚀性气体。

  主要特点
 


因为采用了平衡式阀芯,可以做到
①较高的流量系数
②即使流量很大也有很高的精度
③较小的关闭压力区间和关闭压力
④响应时间减少
⑤零流量时内部不泄露
⑥失效时打开
⑦不需要;悔阀体从管道上拆卸下来就能定期维修
⑧在已安装好的调压器上不必改动现有管道
  就可加装内装式紧急切断阀。

性能参数
①进口压力范围:BP:0.5 10 bar MP/TR:0.5-20 bar
②最大允许进口压力PS:BP:10 bar MP/TR:20 bar
③出口压力范围:BP:15-110 mbar MP:80-300 mbar
TR:300-3000mbar
④关闭感应设定范围:超压设定:BP:30-180 mbar
MP.140-450 mbar TR:250-5500 mbar
欠压设定:BP:6-60 mbar MP 10一240 mbar TR:100-3500 mbar
⑤精度等级:AC5/10/I 5%
⑥关闭压力范围:SG25%
⑦温度等级:2(-20。C一+60。C)


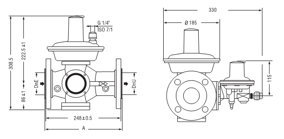
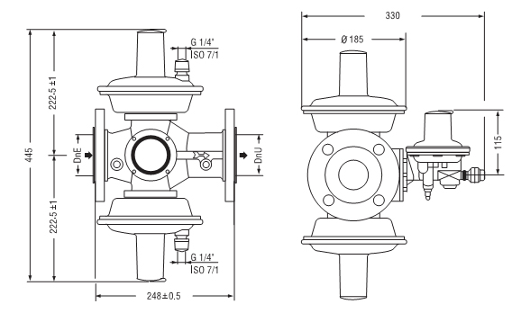
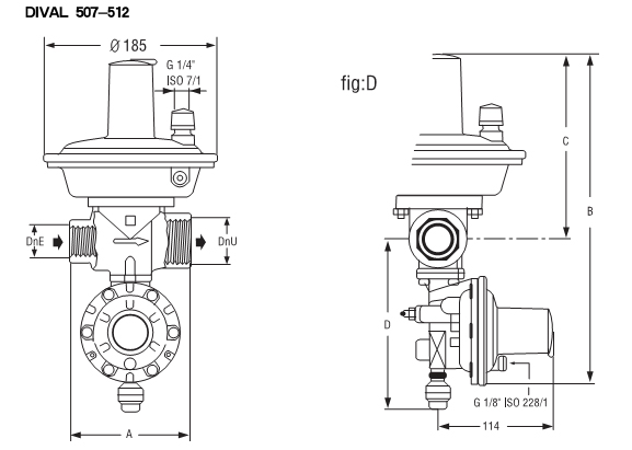
  外形尺寸





DIVAL BP
COD.
RANGE(mbar)
6447013700
15/20
6447006800
20/30
6447013900
30/40
6447014000
40/70
6447007100
70/110
DIVAL MP
COD.
RANGE(mbar)
6447007100
80/110
6447014100
110/180
6447014200
180/300
 
 
 
 
DIVAL TR
COD.
RANGE(mbar)
6447014300
300/700
6447014400
700/1100
6447014500
1100/2000
64470151000
2000/3000
 
 




超压切断压力设定范围
COD.
RANGE(mbar)
BP
MP
TR
6447011200
30/50
6447011500
50/180
6447011500
140/180
6447011600
180/280
6447015100
280/450
6447011600
250/550
6447015100
550/850
6447005700
850/1400
6447005800
1400/2500
6447005900
2500/4000
6447006000
4000/5500
欠压切断压力设定范围
COD.
RANGE(mbar)
BP
MP
TR
6447002400
6/60
6447002400
40/60
6447003800
60/240
6447003800
100/500
6447004500
 
500/1000
6447004600
1000/2000
6447004900
2000/3500
 
 
 
 
放散压力设定范围
VERSION
COD.
RANGE(mbar)
BP
6447002400
10/18
6447003100
18/75
MP
6447003800
30/100
TR
6447003800
50/259
6447004500
260/700
6447004500
700/1000