燃气过滤器简介

     意大利Fiorentini燃气过滤器均是按DIN3386标准设计而制作的产品。可适用于登录在"DVGW"G260/1标准之煤气,沼气,天然气(LNG),石油液化气(LPG),物腐蚀气体及空气管网上。并适用于各种控制装置,压力调节器,流量计及需要高密度过滤要求的管网上。适用于壁挂炉及水式锅炉。广泛适密的过滤网过滤效果保障滤网下道工序设备的安全运转。


  主要特点



特征 
①适用于任何种类物腐蚀气体及空气(DVGW G260/1标准)
②精密的过滤网
③最大允许压力:PS 2bar/6bar
④过滤等级:≤50μm
⑤螺纹接口:1/2"-2"
⑥法兰接口:DN25 - 150

技术特性

意大利Fiorentini燃气过滤器是完全符合DIN3386标准及DINEN161/91
GROUP2标准高度技术要求和技能特性基数的过滤装置。
①坚固的内在结构
②高速的流动速度
③打容量过滤空间
④有效可靠的过滤
⑤简便的维护
⑥一切过滤器在进,出口出设有测压孔塞

技术参数
①最大允许压力:2bar/6bar
②最大允许压力2bar时 法兰接口系列型号是102XX/F
③最大允许压力6bar时 螺纹接口系列型号是106XX/
④最大允许压力6bar时 法兰接口系列型号是106XX/F
⑤螺纹接口:DIN.2999-UNI-ISO 7/1 1/2" - 2"
⑥法兰接口:DIN.2633-UNI2229 PN.16 DN25 - DN150
⑦适用范围:DVGW G260/1 登录燃气
⑧适用温度:-15-80℃
⑨过滤容量:≤50μm
⑩测压孔塞:RP 1/4"
材质
本体及盖:铝合金UNI5076/3051
膜片及密封:NBR橡胶DIN.3535/1
过滤网:登录于DVGW-G260/1标准合成纤维
选用要素
①选用过滤器不能依照配置管直径来选用,一定要按流量来选用。
②选用时用"△P"(压力损失)不可超过10mbar



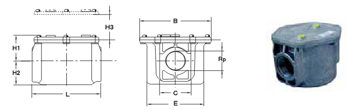
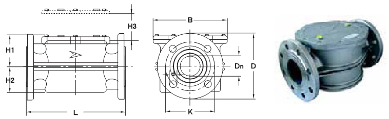
  外形尺寸

 





MOD
RP bar L B H1 H2 H3 E C
10601 1/2" 6 114 124 56 46 100 88 49
10602 3/4" 6 114 124 56 46 100 88 49
10603 1" 6 114 124 56 46 100 88 49
10604 1"1/4 6 150 154 62 56 110 123 68
10605 1"1/2 6 150 154 62 56 110 123 68
10606 2" 6 182 187 80 65 140 150 80




MOD
Dn bar L B H1 H2 H3 D k d
10603/F 25 6 216 124 60 44 100 114 85 14 4
10604/F 32 6 243 154 66 53 110 140 100 18 4
10605/F 40 6 268 154 66 53 110 150 110 18 4
10606/F 50 6 299 187 80 65 140 165 125 18 4
10607/F 65 6 305 247 99 84 175 185 145 18 4
10608/F 80 6 324 247 99 84 175 200 160 18 8
10609/F 100 6 354 247 116 111 220 220 180 18 8
10210/F 150 2 474 380 180 145 300 285 240 23 8




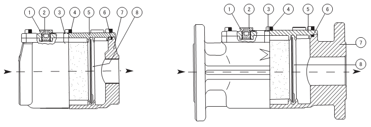
说明
说明 说明 说明
1 密封圈 3 垫圈 5 上盖 7 外壳
2 堵丝 4 螺丝 6 密封圈 8 滤筒