产品介绍
 


意大利FiorenIini过滤器内置型燃气压力稳压器的制作均符合uNl
EN 88一cLASS“A2”标准。
(天然气、无腐蚀性气体及空气)
适用范围
意大利FiorenIini过滤器内置型燃气压力稳压器均是按uNl EN 88一
cLASS“A2”GR0uP2标准要求设计而制造的产品.可适用于登录
在[)VGW 260/1标准的各种燃气(天然气(LNG)、液化石油气
(LPG)、城市煤气、沼气)无腐蚀性气体及空气管网上。
它不仅广泛适用于混合式或复合式燃烧器供气管网上.而且适用
于工业用、非工业用煤气、沼气、天然气(L N G)、液化石油气
(LPG)、无腐蚀气体及空气等气体的供应管网或支网上

 技术特性和参数


 
适用范围
意大利FiorenIini压力稳压器是属直动式稳压器.它主要通过出口
压力和预先设定的调整弹簧间的直接比较值来调整稳定出口压
力。影响出口压力变化的最低及最高进口压力变化由稳压器内置
三重安全隔膜来保障。
一切稳压器均内置超压减负管.并在进口处附有RP 1/4”螺纹
接口测压孔塞及过滤装置。
技术参数
工作压力范围:+2 5 mba一+500 mbar(0.25 l<pa一50 l<pa)
进口最大允许压力:Ps 1 bar(100。Kpa)
稳压范围:5—300 mbar(0.5 l<pa一30。Kpa)(参照弹簧图)
螺纹接口:1/2”“2”
法兰接口:DN25”DNl00
稳压精度:±1 5%
关闭压力:进口设定压力的SG 1 5%一25%
使用气体:天然气(LNG)、液化石油气(LPG)、城市煤气、沼气、无 腐蚀性气体及空气
适用温度:一1 5”600C
压力等级: PN l
螺纹及法兰规格:DlN2999 lS07/1 DlN2633 PN 1 6
燃气等级:1“2、3
过滤等级:≤50 μm</>
材 质
本体及盖:铝合金UNl 5076/3051
膜片及密封:腈基橡胶(Nitrilic rubber)DlN 278—3535/1
内部构成:Delrin—aisi304
选用要素
稳压器的流量不能按产品的接口直径来选定.一定要按动作差压
来选定.要注意这一点
选定稳压器的三要素:
①进口压力 ②出口压力 ③流量
注:安全隔膜上标记之流量.已考虑不可预测之差压
选择步骤及注意事项
进口压力不能超出进口最大允许压力.为达到最佳工作效果.压力降应为气体通过稳压器因摩擦而产生的压力损失(△P)。(见压
力损失一流量曲线图表)
压力损失△P=进口压力(P1)与出口压力(P2)的差值
例如:进口压力P1_30mbar. 出口压力P2=25 mbar. 流量Q=100Nm3/h(天然气)
选择适用稳压器如下:
1)计算压力损失△P=30—25=5 mbar
2)从纵轴(压力损失)上查找到5 mbar这一点划一条水平线直到与从流量值(天然气100Nm3/h)引出的垂线相交于一点。
3)此点右边线所示稳压器即可

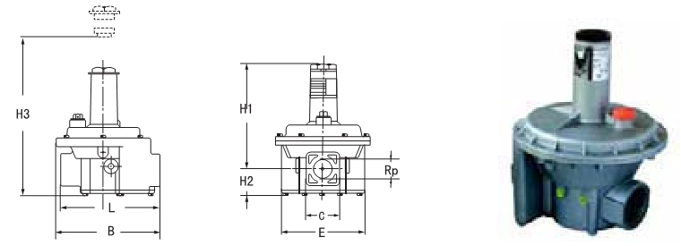
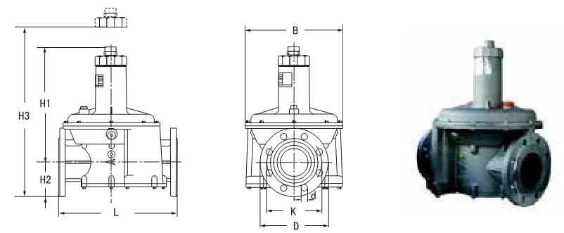
  外形尺寸








MOD
RP bar L B H1 H2 H3 E C
31051 1/2" 1 113 96 109 33 245 60 42
31052 3/4" 1 109 96 109 33 245 60 42
31053 1" 1 109 96 109 33 245 60 42
31150 1/2" 1 138 140 138 37 260 110 45
31151 3/4" 1 134 140 138 37 260 110 45
31152 1" 1 134 140 138 37 260 110 45
31153 1"1/4 1 194 208 210 45 400 165 68
31154 1"1/2 1 194 208 210 45 400 165 68
31055 2" 1 236 262 266 50 480 210 78




MOD
Dn bar L B H 1 H 2 H 3 D k d
31152/F 25 1 235 140 138 58.5 282 114 85 14 4
31153/F 32 1 286 192 210 70 425 140 100 18 4
31154/F 40 1 311 192 210 75 425 150 110 18 4
31155/F 50 1 352 242 266 82.5 513 165 125 18 4
31156/F 65 1 350 285 335 93 630 185 145 18 4
31157/F 80 1 350 285 335 100 640 200 160 18 8
31158/F 100 1 415 352 782 110 770 220 180 18 8